半導體三極管,亦稱雙極型晶體管,是一種能夠控制電流的半導體器件。它不僅可以將微弱信號放大為幅度較大的電信號,還可用作無觸點開關。三極管的工作狀態可分為靜態和動態兩種:靜態是指未加信號時三極管的直流工作狀態,此時各極電流稱為靜態電流;而動態工作狀態則是在加入交流信號后,三極管的工作電流隨信號變化的狀態。
一、三極管電路分析的四個步驟
1. 直流電路分析
直流電路分析旨在明確直流工作電壓如何施加到三極管的集電極、基極和發射極上。主要通過以下兩條直流電路進行分析:
集電極與發射極之間的直流電路


基極直流電路
分析時,可將電路中的電容視為開路,因其具有隔直特性。這樣可簡化為直流等效電路,便于直觀分析直流電壓和電流的分布。


2. 交流電路分析
交流電路分析聚焦于交流信號的傳輸路徑,即信號從何處輸入放大器、經過哪些元器件處理以及最終從何處輸出。

同時需關注信號在傳輸過程中的變化情況,例如在哪些環節被放大、衰減或補償等。

同時需關注信號在傳輸過程中的變化情況,例如在哪些環節被放大、衰減或補償等。
例如,在某放大器電路中,信號依次經過耦合電容 C1、三極管 VT1、耦合電容 C3、三極管 VT2 和耦合電容 C4。其中,耦合電容僅起傳輸信號的耦合作用,對信號無放大或衰減影響;而三極管 VT1 和 VT2 則對信號起到放大作用。


3. 元器件作用分析
元器件特性是電路分析的核心依據。分析元器件作用時,應依據其主要特性進行。例如,耦合電容憑借隔直通交的特性,可讓交流信號無損耗通過,同時隔斷直流通路。
每個元器件在電路中都有其特定作用,可能是一種或多種。在電路分析中,需明確每個元器件的具體功能。掌握元器件作用后,可采用簡化分析方法,無需對每個同類元器件都進行重復分析。如已熟悉耦合電容的作用,后續遇到類似情況可直接應用已有結論。
4. 修理識圖方法
修理識圖主要用于檢修電路故障,需在充分理解電路工作原理的基礎上進行。故障檢修時,可根據故障現象,有針對性地選擇電路中的關鍵元器件進行分析,無需對每個元器件都進行全面的故障排查。
關鍵測試點的確定是修理識圖的核心。例如,在單級放大器中,三極管的三個電極是關鍵測試點,

主要用于測量直流工作電壓;而在集成電路中,關鍵測試點包括電源引腳、輸入信號引腳和輸出信號引腳等。例如,電路中的⑧腳是電源引腳,①腳是信號輸入引腳,⑥腳是信號輸出引腳。


主要用于測量直流工作電壓;而在集成電路中,關鍵測試點包括電源引腳、輸入信號引腳和輸出信號引腳等。例如,電路中的⑧腳是電源引腳,①腳是信號輸入引腳,⑥腳是信號輸出引腳。

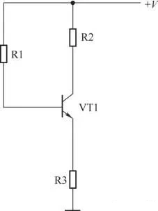
5. 三極管基極偏置電路分析
分析基極偏置電路時,可遵循以下步驟:
在電路圖中找到三極管的電路符號,并確定其基極位置。


從基極出發,找出與基極和電源端(+V 端或 -V 端)相連的所有元器件,以及與基極和地端相連的所有元器件,這些元器件構成偏置電路的主體。


在偏置電路中,電阻可能參與偏置,而電容因隔直作用可視為開路,分析時可忽略電容的影響。
確定偏置電路中的元器件后,分析基極電流回路。例如,直流工作電壓 +V 經偏置電阻 R1 流向三極管 VT1 的基極,再從基極流向發射極,經發射極電阻 R3 最終流向地端。

〈烜芯微/XXW〉專業制造二極管,三極管,MOS管,橋堆等,20年,工廠直銷省20%,上萬家電路電器生產企業選用,專業的工程師幫您穩定好每一批產品,如果您有遇到什么需要幫助解決的,可以直接聯系下方的聯系號碼或加QQ/微信,由我們的銷售經理給您精準的報價以及產品介紹

〈烜芯微/XXW〉專業制造二極管,三極管,MOS管,橋堆等,20年,工廠直銷省20%,上萬家電路電器生產企業選用,專業的工程師幫您穩定好每一批產品,如果您有遇到什么需要幫助解決的,可以直接聯系下方的聯系號碼或加QQ/微信,由我們的銷售經理給您精準的報價以及產品介紹
聯系號碼:18923864027(同微信)
QQ:709211280

