一、逆變器概述
逆變器作為一款核心電子設備,具備將直流電(DC)高效轉換為交流電(AC)的能力,被廣泛應用于眾多領域。從太陽能發電系統到不間斷電源(UPS),再到各類電力驅動裝置,逆變器發揮著至關重要的作用。其構造精巧,由三大關鍵部分組成:逆變橋、邏輯控制單元以及濾波電路。除此之外,逆變器內部還涵蓋了輸入接口、電壓啟動回路、MOS開關管、PWM控制器、直流變換回路、反饋回路、LC振蕩及輸出回路等多個復雜組件。根據內部結構設計的差異,逆變器可分為半橋逆變器和全橋逆變器等多種類型,每種類型都針對不同的應用場景進行了優化設計。
二、逆變器工作原理
(一)直流電源輸入
逆變器首先接收來自太陽能電池板、蓄電池或其他直流電源的電能。這一輸入的直流電是后續轉換過程的能量基礎,其電壓水平和穩定性對逆變器的輸出性能具有直接影響。
(二)電流轉換
在逆變器的核心部分,內部電子開關(通常為MOSFET)以極高的頻率快速切換電流方向。這一過程模擬了交流電的波形特征,將直流電的單向流動轉變為雙向交替的電流變化。通過精確控制電子開關的通斷時機和頻率,可以生成與標準交流電相似的波形,這是逆變器實現電能轉換的關鍵步驟。
(三)交流電輸出
經過轉換后的交流電隨后被輸送至家庭、工業生產設備或并入電網,為各類電器設備提供穩定的動力支持。為了確保輸出交流電的質量符合標準,逆變器內置的濾波電路會對轉換后的電能進行平滑處理,降低紋波和噪聲,提高電能的純凈度。
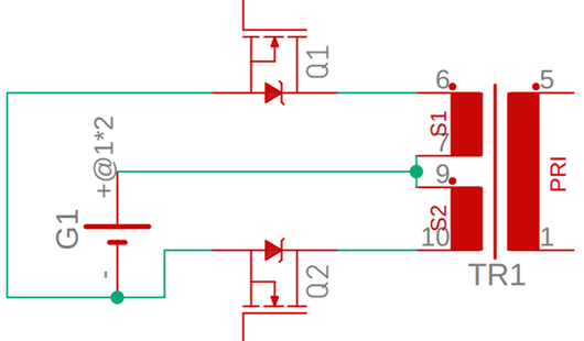
三、逆變器工作原理圖解析


在典型的逆變器工作原理圖中,正電壓連接到變壓器的中間引腳,作為輸入端。而變壓器的另外兩個引腳則與MOSFET開關相連,負責控制電流的流向和開關動作。


當MOSFET Q1被激活時,即在柵極端子上施加適當的電壓,電流將按照預定路徑沿一個方向流動。這一電流流動會在變壓器鐵芯中感應出磁通量,并按照電磁感應原理在次級線圈中產生電壓。經過變壓器的電壓變換作用,最終在輸出端可獲得220V的交流電壓,滿足常規電器設備的供電需求。


若關閉MOSFET Q1并開啟MOSFET Q2,電流流向將發生反轉,從而改變變壓器鐵芯中磁通量的方向。由于變壓器依賴于磁通量的變化來實現能量傳遞,通過高頻地切換兩個MOSFET的通斷狀態(每個MOSFET每秒開關50次),在變壓器鐵芯內部能夠產生持續振蕩的磁通量。這種變化的磁通量進而在次級線圈中感應出相應的交流電壓,完成直流到交流的轉換過程。這一原理是逆變器工作的基礎,體現了電子器件與電磁感應現象的巧妙結合。
〈烜芯微/XXW〉專業制造二極管,三極管,MOS管,橋堆等,20年,工廠直銷省20%,上萬家電路電器生產企業選用,專業的工程師幫您穩定好每一批產品,如果您有遇到什么需要幫助解決的,可以直接聯系下方的聯系號碼或加QQ/微信,由我們的銷售經理給您精準的報價以及產品介紹
〈烜芯微/XXW〉專業制造二極管,三極管,MOS管,橋堆等,20年,工廠直銷省20%,上萬家電路電器生產企業選用,專業的工程師幫您穩定好每一批產品,如果您有遇到什么需要幫助解決的,可以直接聯系下方的聯系號碼或加QQ/微信,由我們的銷售經理給您精準的報價以及產品介紹
聯系號碼:18923864027(同微信)
QQ:709211280

