全橋與半橋驅動:原理、特性及應用解析
全橋和半橋驅動電路是兩種關鍵的技術方案,它們各自具備獨特的工作原理和適用場景。以下是對這兩種驅動方式的詳細分析。
一、全橋驅動的深度剖析
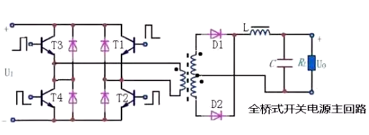
全橋驅動電路由四個功率開關構成,通常采用兩個H橋(上、下各兩個)的架構。每個橋臂配置一個開關,上下對稱地連接至電機的兩相繞組。這種設計使得全橋驅動能夠靈活地控制電機的電流方向和大小,從而實現對電機運轉狀態的精準調控。
全橋驅動的工作原理依托于功率開關的交替導通與截止。通過巧妙地控制上下橋臂的開關狀態,可以實現電機的正反轉以及調速功能。具體而言,當需要電機正轉時,上橋臂的某個開關與下橋臂的對應開關同時導通;而當需要電機反轉時,則切換上下橋臂的開關狀態。此外,通過改變左右橋臂的開關導通時間,能夠有效調節電機的轉速,以滿足不同的應用場景需求。


全橋驅動具有顯著的優勢。它能夠提供正向和反向電流,這意味著它可以改變電機的旋轉方向,適用于雙電源電機驅動,如交流電源或雙電池供電的應用場景。在電動汽車的電機控制等高效率和大電流需求的應用中,全橋驅動憑借其控制靈活、電源利用率高、適用于高效率和大電流應用的特點,展現出了卓越的性能。然而,全橋驅動也存在一定的局限性。其成本相對較高,需要更多的功率開關元件和控制電路,這在一定程度上限制了其在成本敏感型應用中的普及。
二、半橋驅動的詳盡解讀
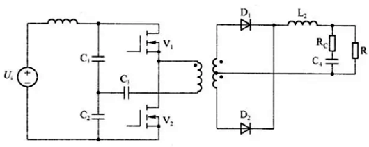
半橋驅動電路由兩個功率半導體開關組成,分別稱為上橋臂和下橋臂。這種簡潔的結構使其成為最簡單的無刷電機驅動方案之一,通常用于單極性電源,例如電池供電的應用場景。
半橋驅動的工作原理基于兩個功率開關的交替導通和截止。通過控制信號的調節,上橋臂和下橋臂交替開啟和關閉,從而控制負載的電流流向和大小。在電機控制中,通過調節PWM信號的占空比,可以精確地控制電機的轉速和轉向,實現對電機運行狀態的高效調控。


半橋驅動的特點十分鮮明。它只能提供正向電流,無法實現反向電流輸出,因此在應用范圍上受到一定限制。然而,由于其簡單的結構和較低的成本,半橋驅動在單電源驅動場景中具有獨特的優勢,尤其適用于功率較低的應用,如電源變換器等。在這些應用中,半橋驅動能夠以較高的性價比提供穩定可靠的電機驅動功能,滿足日常使用需求。
三、全橋與半橋驅動的對比分析
半橋驅動和全橋驅動在結構、功能和應用方面存在諸多差異,各自適用于不同的應用場景。
(一)半橋驅動
結構特點:由兩個功率開關組成,分別連接到電機的兩個相。
工作原理:通過控制兩個功率開關的通斷狀態,控制電流流向,驅動電機旋轉。其控制邏輯相對簡單,便于實現基本的電機驅動功能。
電流方向:只能提供正向電流,不能反向。這限制了其在需要頻繁改變電機旋轉方向的應用中的使用。
適用電源:適用于單電源驅動,如電池供電的應用。在便攜式設備和對電源要求較為簡單的系統中具有廣泛的應用。
應用領域:由于其簡單的結構和較低的功率需求,半橋驅動常被用于一些功率較低的應用場景,如小型電源變換器、低功率電機控制等。
(二)全橋驅動
結構特點:包含四個功率開關,能夠提供正向和反向電流。這種復雜的結構為全橋驅動提供了更多的功能和靈活性。
工作原理:通過控制四個功率開關的通斷狀態,實現正向和反向電流的流動,從而改變電機的旋轉方向。全橋驅動能夠更精細地控制電機的運行狀態,滿足復雜的應用需求。
電流方向:可以提供正向和反向電流,因此能夠改變電機的旋轉方向。這使得全橋驅動在需要頻繁正反轉控制的應用中表現出色,如工業自動化設備、電動車輛等。
適用電源:適用于雙電源供電,如交流電源或者雙電池供電的應用。雙電源供電為全橋驅動提供了更廣闊的電壓范圍和電流能力,使其能夠應對高功率需求的場景。
應用領域:全橋驅動適用于高效率和大電流的應用場景,如電動汽車的電機控制、大型工業設備的驅動系統等。在這些應用中,全橋驅動能夠充分發揮其高效率、高功率處理能力的優勢,確保電機系統的穩定運行。
(三)優缺點對比
半橋驅動的優點在于其結構簡單,成本較低,適用于單電源驅動和功率較低的應用。然而,它的缺點是只能提供正向電流,無法實現電機的正反轉控制,功能相對有限。而全橋驅動則具有控制靈活、電源利用率高、適用于高效率和大電流應用的優點,能夠滿足復雜多變的應用需求。但其缺點是成本較高,需要更多的功率開關元件和控制電路,這在一定程度上增加了系統的設計復雜性和成本投入。
〈烜芯微/XXW〉專業制造二極管,三極管,MOS管,橋堆等,20年,工廠直銷省20%,上萬家電路電器生產企業選用,專業的工程師幫您穩定好每一批產品,如果您有遇到什么需要幫助解決的,可以直接聯系下方的聯系號碼或加QQ/微信,由我們的銷售經理給您精準的報價以及產品介紹
〈烜芯微/XXW〉專業制造二極管,三極管,MOS管,橋堆等,20年,工廠直銷省20%,上萬家電路電器生產企業選用,專業的工程師幫您穩定好每一批產品,如果您有遇到什么需要幫助解決的,可以直接聯系下方的聯系號碼或加QQ/微信,由我們的銷售經理給您精準的報價以及產品介紹
聯系號碼:18923864027(同微信)
QQ:709211280

